PTR Hartmann

AK700/..-10.0-H-GRÜN

  • 2- bis 6-polig
  • 1- und 2-polige Modulversion
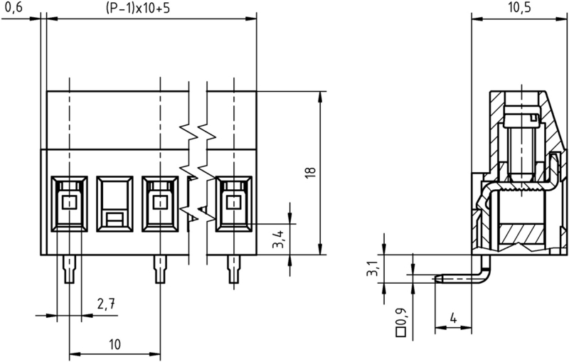
  • Rastermaß 10.0 mm
  • Liftprinzip
  • Leiteranschluss senkrecht zur Leiterplatte
  • 24 A bei 2.5 mm² Leiter
  • Max. 1.000 V
Anschlussquerschnitte
Eindrähtig (starr) 0.2 mm² - 4.0 mm²
Feindrähtig (flexibel) 0.2 mm² - 2.5 mm²
Feindrähtig mit Aderendhülse 0.25 mm² - 2.5 mm²
Maße
Abisolierlänge 8.0 mm
Bohrlochdurchmesser 1.3 mm
Werkstoff
Klemmstück Messing
Schraube Stahl
Lötfahne Kupferlegierung
Isolierstoff
Material PA 6.6
Brennbarkeitsklasse UL 94 V-0
Temperaturen
Arbeitstemperatur -40 °C (ohne mech. Belastung) - 105 °C
Lagertemperatur -40 °C - 105 °C
Wellenlötverfahren Reflowprozess
Löttemperatur, empfohlen 260 °C -
Peaklötdauer, empfohlen 3-4 s -
Farben
GRÜN, RAL 6018
 
GRAU, RAL 7016
 
KIESELGRAU, RAL 7032
 
BLAU, RAL 5015
 
HELLGRÜN, ähnlich RAL 6018
 
Polzahl Breite (mm) Artikelbezeichnung Artikelnummer VPE
2
15.60 AK700/2-10.0-H-GRÜN 50700020281F 200
3
25.60 AK700/3-10.0-H-GRÜN 50700030281F 200
4
35.60 AK700/4-10.0-H-GRÜN 50700040281E 100
5
45.60 AK700/5-10.0-H-GRÜN 50700050281E 100
6
55.60 AK700/6-10.0-H-GRÜN 50700060281D 50

Für die Absendung einer Angebots- oder Musterbestellung wählen Sie bitte zuerst eine der oben aufgelisteten Polzahl aus.

zum Anfrageformular
Schraubenabdeckung SC-AK700-GELB

Schraubenabdeckung SC-AK700-GELB
Art.-Nr.  50700000004

Zulassungsdaten
Use Group B C D      
Nennspannung 300 V 150 V 300 V 1.000 V  
Nennstrom 15 A 15 A - 24 A  
Nennleitergröße       min max
- eindrähtig (starr) AWG 30-12 AWG 30-12 AWG 30-12 0.5 mm² 4.0 mm²
- mehrdrähtig (starr) - - - - -
- feindrähtig (flexibel) AWG 30-12 AWG 30-12 AWG 30-12 0.5 mm² 2.5 mm²
Drehmoment 0.45 Nm 0.45 Nm 0.45 Nm 0.50 Nm  
Schraubengewinde M3 M3 M3 M3  
Prüfspannung 1.60 kV 1.30 kV 1.60 kV 3.5 kV