AK710/..-15.0-V-GREEN

- 2 to 6 poles
- 1 and 2 pole modules
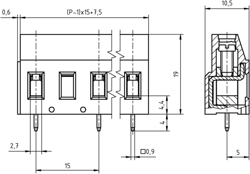
- Spacing 15.0 mm
- Lift type
- Wire entry parallel to PCB
- 24 A with 2.5 mm² wire
- Max. 1.000 V
| Wire Size | ||
|---|---|---|
| Solid | 0.2 mm² - 4.0 mm² | |
| Stranded (flexible) | 0.2 mm² - 2.5 mm² | |
| Stranded with ferrule | 0.25 mm² - 2.5 mm² | |
| Dimensions | ||
| Stripped length | 8.0 mm | |
| PCB hole diameter | 1.3 mm | |
| Materials | ||
| Clamp | Brass | |
| Screw | Steel | |
| Solder tab | Copper Alloy | |
| Insulating Material | ||
| Material | PA 6.6 | |
| Flammability class | UL 94 V-0 | |
| Temperatures | ||
| Operating temperature | -40 °C (without mech. load) - 105 °C | |
| Store temperature | -40 °C - 105 °C | |
| Wave Soldering Process | Reflow Process | |
| Soldering temperature, recommended | 260 °C | - |
| Peak soldering time, recommended | 3-4 s | - |
| Colours | ||
| BLACK, RAL 9011 | ||
| PEBBLE GREY, RAL 7032 | ||
| GREEN, RAL 6018 | ||
| BLUE, RAL 5015 | ||
| LIGHT GREEN, similar RAL 6018 |
| Number of Poles | Width (mm) | Article Designation | Article Number | PU |
|---|---|---|---|---|
| 2 | 23.10 | AK710/2-15.0-V-GREEN | 50710020241E | 100 |
| 3 | 38.10 | AK710/3-15.0-V-GREEN | 50710030241E | 100 |
| 4 | 53.10 | AK710/4-15.0-V-GREEN | 50710040241D | 50 |
| 5 | 68.10 | AK710/5-15.0-V-GREEN | 50710050241D | 50 |
| 6 | 83.10 | AK710/6-15.0-V-GREEN | 50710060241D | 50 |
Please select one of the above listed number of poles before you order for quotation or samples.
to Inquiry Form
Bridge, 2-pole, insulated, BRI/2-7.5/7.62-L8.2-LIGHT GREY
Article Number 50000000017

Screw Cover SC-AK700-YELLOW
Article Number 50700000004
| Ratings | ||||||
|---|---|---|---|---|---|---|
| Use Group | B | C | D | |||
| Rated voltage | 600 V | 600 V | - | 1000 V | ||
| Rated current | 20 A | 20 A | - | 24 A | ||
| Rated wire size | min | max | ||||
| - solid | AWG 22-12 | AWG 22-12 | - | 0.5 mm² | 4.0 mm² | |
| - stranded | - | - | - | - | - | |
| - stranded (flexible) | AWG 22-12 | AWG 22-12 | - | 0.5 mm² | 2.5 mm² | |
| Torque | 0.45 Nm | 0.45 Nm | - | 0.50 Nm | ||
| Screw size | M3 | M3 | - | M3 | ||
| Test voltage | 2.20 kV | 2.20 kV | - | 3.5 kV | ||

E101811
Declaration