PTR Hartmann

AKZ700/..-10.16-H-GREEN

  • 2 to 6 poles
  • 1 and 2 pole modules
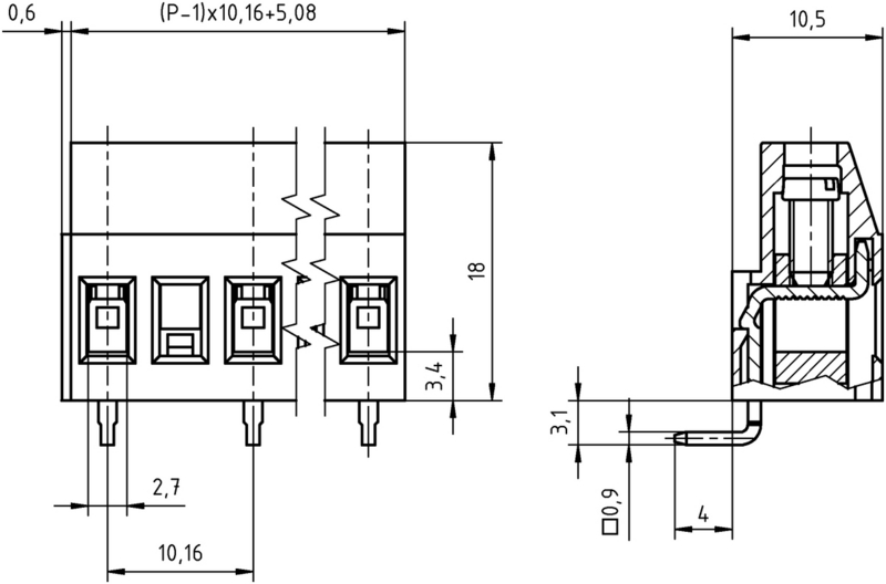
  • Spacing 10.16 mm
  • Lift type
  • Wire entry vertical to PCB
  • 24 A with 2.5 mm² wire
  • Max. 1.000 V
Wire Size
Solid 0.2 mm² - 4.0 mm²
Stranded (flexible) 0.2 mm² - 2.5 mm²
Stranded with ferrule 0.25 mm² - 2.5 mm²
Dimensions
Stripped length 8.0 mm
PCB hole diameter 1.3 mm
Materials
Clamp Brass
Screw Steel
Solder tab Copper Alloy
Insulating Material
Material PA 6.6
Flammability class UL 94 V-0
Temperatures
Operating temperature -40 °C (without mech. load) - 105 °C
Store temperature -40 °C - 105 °C
Wave Soldering Process Reflow Process
Soldering temperature, recommended 260 °C -
Peak soldering time, recommended 3-4 s -
Colours
GREEN, RAL 6018
 
GREY, RAL 7016
 
PEBBLE GREY, RAL 7032
 
BLUE, RAL 5015
 
LIGHT GREEN, similar RAL 6018
 
Number of Poles Width (mm) Article Designation Article Number PU
2
15.84 AKZ700/2-10.16-H-GREEN 50700020276F 200
3
26.00 AKZ700/3-10.16-H-GREEN 50700030276F 200
4
36.16 AKZ700/4-10.16-H-GREEN 50700040276E 100
5
46.32 AKZ700/5-10.16-H-GREEN 50700050276E 100
6
56.48 AKZ700/6-10.16-H-GREEN 50700060276D 50

Please select one of the above listed number of poles before you order for quotation or samples.

to Inquiry Form
Screw Cover SC-AK700-YELLOW

Screw Cover SC-AK700-YELLOW
Article Number 50700000004

Ratings
Use Group B C D      
Rated voltage 300 V 150 V 300 V 1.000 V  
Rated current 15 A 15 A - 24 A  
Rated wire size       min max
- solid AWG 30-12 AWG 30-12 AWG 30-12 0.5 mm² 4.0 mm²
- stranded - - - - -
- stranded (flexible) AWG 30-12 AWG 30-12 AWG 30-12 0.5 mm² 2.5 mm²
Torque 0.45 Nm 0.45 Nm 0.45 Nm 0.50 Nm  
Screw size M3 M3 M3 M3  
Test voltage 1.60 kV 1.30 kV 1.60 kV 3.5 kV